Список деталей QX Connect Series

Документ содержит список деталей и схему разборки пневматического гайковерта серии QX Connect. Описывает компоненты, их номера и технические требования для сборки и эксплуатации. Включает информацию о монтаже и использовании смазки для электрических соединений.

Brand: Ingersoll Rand Document type: Руководство Status: Обработан Categories: Запчасти Created: 2026-02-17 Updated: 2026-02-18

TL-VP1T-PLM Edition 2 January 2022

Image

Cordless Screwdriver and Nutrunner

QX Connect Series

Parts Information

Image
Image
Image

Use lithium-based, electrical contact grease with no particles for all electrical connections

TL-VP1T-PLM_ed2

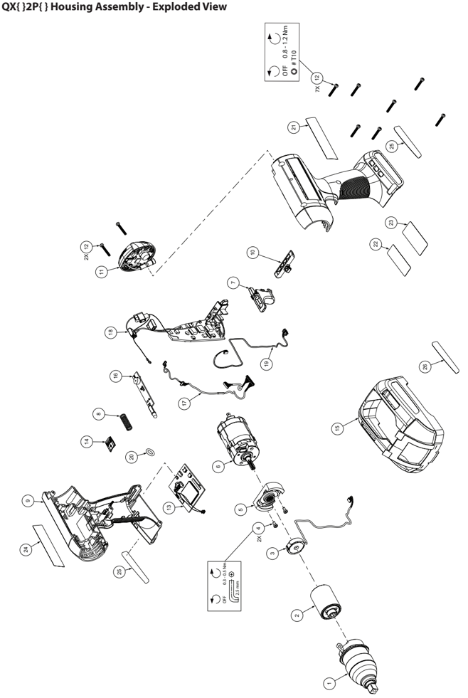
QX{ }2P{ } Housing Assembly - Parts List

Item Part Description Part Number (CCN)
1 Gear Case Assembly, 1/4" Quick Change VP1-A8-Q4 (47103320)
Gear Case Assembly, 1/4" Square Drive VP1-A8-S4 (47103312)
Gear Case Assembly, 3/8" Square Drive VP1-A8-S6 (47104179)
2 Gear Pack Assembly, QX{ }2PT004{ } Series TA-VP1T-037-13P18
Gear Pack Assembly, QX{ }2PT008{ } Series TA-VP1T-037-17P1
Gear Pack Assembly, QX{ }2PT012{ } Series TA-VP1T-037-26P6
Gear Pack Assembly, QX{ }2PT018{ } and QX{ }2PT024{ } Series TA-VP1-2169-16C
3 Transducer Assembly, QX{ }2PT004{ }, QX{ }2PT008{ } and QX{ }2PT012{ } Series VP1-A756 (47107073)
Transducer Assembly, QX{ }2PT018{ } and QX{ }2PT024{ } Series VP1-A756-18 (47515463001)
4 Screw (M3 x 0.5), (2 required) CPS2-667-735 (45589140)
5 Motor Mount TP-VP1-108
6 Motor Assembly TA-VP1-054
7 Trigger Assembly TP-VP1-A093RD
8 Spring VP1-726 (47088356)
9 Handle Assembly (both halves) VP1-A59 (48394266)
10 Switch, F/R Assembly TP-VP1-A075RD
**11 Back Cap Assembly, QX{ }D2P{ } Series
Back Cap Assembly, QX{ }N2P{ } Series See Pistol Back CapTable
Back Cap Assembly QXWD2P{ } Series
* Keypad TP-VA1-070RD
* OLED Display VP1-888-C (47526666)
12 Screw (9 required) VP1-105 (47111778)
13 Motor Controller Board, 20V QX{ }2PT004{ }, QX{ }2PT008{ }, QX{ }2PT012{ and QX{ }2PT018{ } Series TA-VP1T-499-1
Motor Controller Board, 40V QX{ }2PT024{ } Series TA-VA2T-499-1
14 USB Cover TP-VP1T-441RD
15 Retainer Battery, QX{ }2P{ }V{ } and QX{ }2P{ }H{ } VP1-202V (47506474001)
16 PCB, Trigger and F/R 84737-A499-5 (47101332)
17 Internal Interface Cable 84737-CABLE-1 (47106117)
18 Power Board Assembly, 20V Pistol TA-VP1T-499-3
19 Motor Hall Cable 84737-CABLE-2 (47106299)
20 O-Ring, PCB VP1-282 (47104211)
21 Name Plate Label TL-VP1T-301-P
22 Certification Label TL-VP1T-300
23 Information Label TL-VP1T-486
24 Warning Label, QX{ }2P{ }P and QX{ }2P{ }E{ } Series TL-VP1T-099-P
Warning Label, QX{ }2P{ }V and QX{ }2P{ }H{ } Series TL-VP1T-099-V
Tool Foot Label, QX{ }2P{ }P{ } Series TL-VP1T-099-3
Tool Foot Label, QX{ }2P{ }E{ } Series TL-VP1T-099-4
Tool Foot Label, QX{ }2P{ }V{ } Series TL-VP1T-099-1
25 Tool Foot Label, QX{ }2P{ }H{ } Series TL-VP1T-099-2
Tool Foot Label, QXWD2P{ }P{ } Series TL-VP1T-099-5
Tool Foot Label, QXWD2P{ }E{ } Series TL-VP1T-099-6
26 Retainer foot Label, QX{ }2P{ }V and QX{ }2P{ }H{ } Series VP1-99V-2 (47508447001)
* IR #69 Grease VP1-1LB (48413157)

TL-VP1T-PLM_ed2

VP1-A8-S6 3/8 " Square Gear Case Assembly QX{ }2PT{ }S06 Series

Image
Item Part Description Part Number (CCN)
27 Nut VP1-305 (47112230)
28 Thrust Washer DAA6A-107 (04694006)
29 Thrust Bearing R1610-105 (03119559)
30 Gear Housing Assembly VP1-A40 (47103882)
31 Spindle, Square 3/8" VP1-807-S6
32 Retainer 5020-716 (03046679)
33 Spring 401-718 (03060993

VP1-A8-S4 ¼ " Square Gear Case Assembly QX{ }2PT{ }S04 Series

Image
Item Part Description Part Number (CCN)
27 Nut VP1-305 (47112230)
28 Thrust Washer DAA6A-107 (04694006)
29 Thrust Bearing R1610-105 (03119559)
30 Gear Housing Assembly VP1-A40 (47103882)
34 Pin 47028 (04130266)
35 Insert (Rubber) 46749 (04124632)
36 Spindle, ¼" Square VP1-807-S4

TL-VP1T-PLM_ed2

VP1-A8-Q4 Quick Change Gear Case Assembly QX{ }2PT{ }04 Series

Image
Item Part Description Part Number (CCN)
27 Nut VP1-305 (47112230)
28 Thrust Washer DAA6A-107 (04694006)
29 Thrust Bearing R1610-105 (03119559)
30 Gear Housing Assembly VP1-A40 (47103882)
37 Ball R000B-263 (03095031)
38 Multi Turn Snap Ring 182A13-CXRSN50 (95994521)
39 Collar, Quick Change CPS2-930 (45551827)
40 Spring TRH-931 (04681615)
41 Spacer, Quick Change CPS2-244 (45555125)
42 Retaining Ring VP1-118 (47512717)
43 Spindle, Quick Connect VP1-8-Q4 (47103346)
Image
Back Cap Assembly - 20V Pistol Tool
CCN(Part Number) ModelType CCN(Part Number) ModelType
QXXD2PT000P000 QXXD2P{ }P{ } QXXN2PT000P000 QXXN2P{ }P{ }
QXXD2PT000E000 QXXD2P{ }E{ } QXXN2PT000E000 QXXN2P{ }E{ }
QXBD2PT000P000 QXBD2P{ }P{ } QXBN2PT000P000 QXBN2P{ }E{ }
QXBD2PT000E000 QXBD2P{ }E{ } QXBN2PT000E000 QXBN2P{ }P{ }
QXFD2PT000P000 QXFD2P{ }P{ } QXFN2PT000P000 QXFN2P{ }P{ }
QXFD2PT000E000 QXFD2P{ }E{ } QXFN2PT000E000 QXFN2P{ }E{ }
QXWD2PT000P000 QXWD2P{ }P{ } --- ---
QXWD2PT000E000 QXWD2P{ }E{ } --- ---

Suggested Tools

Tool Used Part Description Where Used?
Torque Screwdriver 2 Nmcapacity Housing and Motor Mount screws
T10 Torx Bit --- Housing screws
AllenWrench 2mm Motor Mount screws
Nylon Pick --- O-Rings, Wires, etc.
TorqueWrench ⅜" Square Drive, 20 Nmcapacity Gear Case Housing Nut
Bearing Nut Tool IR Part # VP1-00003 (47128921) Gear Case Housing Nut
Image

TL-VP1T-PLM_ed2

QX{ }2A{ } Housing Assembly - Exploded View

Image

TL-VP1T-PLM_ed2

QX{ }2A{ } Housing Assembly - Parts List

Table 1

Item Part Description Part Number (CCN) Item Part Description Part Number (CCN)
1 Angle Head Assembly See Table 2 * OLED Display VP1-888-C (47526666)
2 Lock Spacer 22 Screw (7 required) 47111778
3 Plug, F/R Blank VA1-556 (47522589001) 23 Name Plate Assembly TA-VA1T-301-P
4 Spacer See Table 2 24 Retainer Foot Label VP1-99V-2 (47508447001)
5 Gear Case Assembly 25 Retainer Warning Label VP1-99V (47506214001)
6 Gear Pack Assembly 26 Warning Label TL-VA1T-099-V
7 Transducer Assembly Warning Label TL-VA1T-099-P
8 Screw CPS2-667-735 (45589140) 27 Tool Foot Label, QX{ }2A{ }P TL-VP1T-099-3
9 Motor Mount Assembly VA1-A40Y Tool Foot Label, QX{ }2A{ }E TL-VP1T-099-4
10 Motor Assembly TA-VP1-054 Tool Foot Label, QX{ }2A{ }V TL-VP1T-099-1
11 Screw, Grub VA1-78 (47507397001) Tool Foot Label, QX{ }2A{ }H TL-VP1T-099-2
12 Motor Mount Support VA1-A28 (47504028001) Tool Foot Label, QXWD2A{ }P{ } TL-VP1T-099-5
13 Screw 4751446001 Tool Foot Label, QXWD2A{ }E{ } TL-VP1T-099-6
14 Hex, Nut 19M4JS7M3 (45638756) 28 Information Label TL-VP1T-300
15 Button, F/R TP-VA1-075RD 29 Certification Label TL-VP1T-486
16 Trigger Assembly TP-VA1T-093RD 30 Internal Interface Cable VA1-505 (24471336)
17 Power Board Assembly TA-VA1T-499-3 31 Motor Control Board TA-VP1T-499-1
18 O-Ring, PCB VP1-282 (47104211) 32 Battery Retention Device VA1-202V (47521241001)
19 Spring VA1-726 (24362386) 33 USB Cover TP-VA1-441RD
20 Housing Assembly VA1-A59 (4750731101) * IR #69 Grease, 1lb VP1-1lb (48413157)
**21 Back Cap Assembly, QX{ }D2A{ } See 20V Angle Back Cap Table * IR #67 Grease, 4oz 67-4T (04637336)
Back Cap Assembly, * IR #67 Grease, 1lb 67-1LB
QX{ }N2A{ } * IR #67 Grease, 8lb 67-8LB
Back Cap Assembly, QXWD2A{ } * GreaseTube Head (For QX Angle tools. Use with 4 Oz Grease Tube) GTH-1 (04616124)
* Keypad TP-VA1-070RD

TL-VP1T-PLM_ed2

QX{ }2A Attachment Components - Exploded View

Image

T able 2

Item Part Description Part Number (CCN)
QX{ }2A{ }027{ }S06 QX{ }2A{ }018{ }Q04 QX{ }2A{ }018{ }S06 QX{ }2A{ }015{ }S06 QX{ }2A{ }010{ }S06 QX{ }2A{ }005{ }Q04
1 Angle Head Assembly GAA4S6K (47524190001) CPS3Q4 (45601457) CPS3S6 (45601432) QAS-25-A550 (47152582) QAS-25-A550 (47152582) QAS-18-A550-SQ4 (48617062)
2 Lock Spacer --- CPS3-682 (45592193) CPS3-682 (45592193) QAS-682 (47151170) QAS-682 (47151170) QAS-682 (47151170)
4 Spacer VA1-80 (47515640001) --- --- --- --- ---
5 Gear Case Assembly VA1-180-AL (47516176001) VA1-A37-CP (24509523) VA1-A37-CP (24509523) VA1-A37-RS (24627010) VA1-A37-RS (24627010) VA1-A37-RS (24627010)
6 Gear Pack Assembly TA-VA1T-037-39P7 TA-VA1T-037-26P6 TA-VA1T-037-36P6 TA-VA1T-037-36P6 TA-VA1T-037-17P1 TA-VA1T-037-13P18
7 Transducer Assembly VA1-A756-27 (47515475001) VA1-A756 (24358798) VA1-A756 (24358798) VA1-A756 (24358798) VA1-A756 (24358798) VA1-A756 (24358798)
34 Bit Retaining Spring --- TRH-931 (04681615) --- --- --- TRH-931 (04681615)
35 Bit Retaining Ball --- R000B-263 (03095031) --- --- --- R000B-263 (03095031)
36 Multi Turn Snap Ring --- 182A13-CXRSN50 (95994521) --- --- --- 182A13-CXRSN50 (95994521)
37 Collar, Quick Change --- CPS2-930 (45551827) --- --- --- CPS2-930 (45551827)
38 Spacer, Quick Change --- CPS2-244 (45555125) --- --- --- CPS2-244 (45555125)
39 Retaining Ring --- VP1-118 (47512717) --- --- --- VP1-118 (47512717)
40 Socket Retaining Pin 5020-716 (03046679) --- 5020-716 (03046679) 5020-716 (03046679) 5020-716 (03046679) ---
41 Socket Retaining Spring 401-718 (03060993) --- 401-718 (03060993) 401-718 (03060993) 401-718 (03060993) ---
42 Retaining Ring --- 184A13CXUR81 (96955059) 184A13CXUR81 (96955059) 184A13CXUR81 (96955059) 184A13CXUR81 (96955059) 184A13CXUR81 (96955059)
43 Bearing Spindle (2 required) --- CPS2-22 (45552809) CPS2-22 (45552809) CPS2-22 (45552809) CPS2-22 (45552809) CPS2-22 (45552809)
44 O-Ring (2 required) --- 20A11CMC018 (96955042) 20A11CMC018 (96955042) 20A11CMC018 (96955042) 20A11CMC018 (96955042) 20A11CMC018 (96955042)
45 Spacer GEA40-591 (80119605) --- --- --- --- ---

TL-VP1T-PLM_ed2

Image
BACK CAPASSEMBLY- 20V Angle
Part Number ModelType Part Number ModelType
QXXD2AT000P000 QXXD2A{ }P{ } QXXN2AT000P000 QXXN2A{ }P{ }
QXXD2AT000E000 QXXD2A{ }E{ } QXXN2AT000E000 QXXN2A{ }E{ }
QXBD2AT000P000 QXBD2A{ }P{ } QXBN2AT000P000 QXBN2A{ }E{ }
QXBD2AT000E000 QXBD2A{ }E{ } QXBN2AT000E000 QXBN2A{ }P{ }
QXFD2AT000P000 QXFD2A{ }P{ } QXFN2AT000P000 QXFN2A{ }P{ }
QXFD2AT000E000 QXFD2A{ }E{ } QXFN2AT000E000 QXFN2A{ }E{ }
QXWD2AT000P000 QXWD2A{ }P{ } --- ---
QXWD2AT000E000 QXWD2A{ }E{ } --- ---

TL-VP1T-PLM_ed2

Image

Use lithium-based, electrical contact grease with no particles for all electrical connections

TL-VP1T-PLM_ed2

QX{ }5A{ } Housing Assembly - Parts List

Item Part Description Part Number (CCN) Item Part Description Part Number (CCN)
1 Angle Head Assembly: QX{ }5A{ }020 and QX{ }5A{ }030 GAA2S6-H (47527606001) 22 Internal Interface Cable VA1-505 (24471336)
Angle Head Assembly: QX{ }5A{ }35{ }S08 GAA4S8-H (47527607001) Back Cap Assembly: QX{ }D5A{ } Back Cap Assembly: See 40V Angle Back Cap Table
Angle Head Assembly: QX{ }5A{ }035{ }S06 GAA4S6-H (47527608001) **23 QX{ }N5A{ } Back Cap Assembly:
Angle Head Assembly: QX{ }5A{ }040 and QX{ }5A{ }080 GAA5S8-H (47527609001) QXWD5A{ }
2 Coupling Nut GEA40-27 (22041180) * Keypad OLED Display TP-VA1-070RD VP1-888-C (47526666)
3 Coupling Nut Retainer DAA4-29 (04341368) * 24 Battery Retainer Device VA1-220V (47521241001)
4 Spacer GEA40-591 (80119605) 25 Screw VP1-105 (47111778)
5 Retaining Ring W64-118 (03084266) 26 Housing Assembly VA2-A59 (47518205001)
6 WSHR-Gear Retainer DEM40-81 (04569752) 27 O-Ring, PCB VP1-282 (47104211)
7 Seal, Grease GEA40-248 (80106958) 28 Name Plate Label TL-VA1T-301-P
8 Spring,Wave (1.375 O.D) GEA40-250 (80106982) Warning Label: QX{ }5A{ }V TL-VA1T-099-V
9 Gear Pack Assembly: QX{ }5A{ }020 GEA40-17-M37 (22038186) 29 Warning Label: QX{ }5A{ }P TL-VA1T-099-P
Tool Foot Table, QX{ }5A{ }V TL-VP1T-099-1
Gear Pack Assembly: QX{ }5A{ }030 GEA40-22-M37 (22038178) 30 Tool Foot Table, QX{ }5A{ }H TL-VP1T-099-2
Gear Pack Assembly: QX{ }5A{ }035 and QX{ }5A{ }040 Tool Foot Table, QX{ }5A{ }P TL-VP1T-099-3
Gear Pack Assembly: GEA40-28-M37 (22038160) Tool Foot Table, QX{ }5A{ }E TL-VP1T-099-4
QX{ }5A{ }080 GEA40-40-M37 (22036503) Tool Foot Table, QXW5A{ }P TL-VP1T-099-5
--- Tool Foot Table, QXW5A{ }E TL-VP1T-099-6
10 Gear Case Viper HT Sleeve, Gear Case (47511179001) 31 Certification Label TL-VP1T-300
11 Cover, Motor Mount VA2-145 VA2-427 (47511904001) 32 Information Label TL-VP1T-486
12 13 Transducer Assembly VA2-A756 (47518495001) 33 Warning Label VP1-99V (47506214001)
* VA2-K53-7 (47539541001) 34 Battery Holder Label VP1-99V-2 (47508447001)
K7 Motor Assembly: { }20PS06, { }30PS06, { }30PS08, 35 Motor Controller Board TA-VA2T-499-1
{ }60PS08 and { }80PS08 * IR #67 Grease, 4 oz 67-4T
K11 Motor Assembly: VA2-K53-11 (47539540001) * IR #67 Grease, 1 lb 67-1 LB
{ }35PS06, { }35PS08 and { }40PS08 * IR #67 Grease, 8 lb 67 8 LB
14 Pinion --- * GreaseTube Head GTH-1
15 Motor Assembly --- (for QX{ }5A{ } Angle Tools. Use
16 Plug, F/R Blank VA1-556 (47522589001) with 4 oz Grease Tube) IR #170 Grease, 1 lb
17 Button F/R Assembly TP-VA1-075RD * IR #170 Grease, 8 lb 170-1LB
18 19 Trigger Assembly Spring, Torsional TP-VA1-093RD VA1-726 (24362386) * 170-8LB
20 USB Cover TP-VA1-441RD
21 Power Board Assembly TA-VA2T-499-3

TL-VP1T-PLM_ed2

QX{ }5A Transducer Assembly and Gearing Components - Exploded View

Image

QX{ }5A Transducer Assembly and Gearing Components - Parts List

Item Part Description Part Number (CCN)
QX{ }60PS08& QX{ }80PS08 QX{ }40PS08, QX{ }35PS08, &QX{}35PS06 QX{ }30PS08& QX{ }30PS06 QX{ }20PS06
14 Pinion --- --- --- ---
13 Transducer Assembly VA2-A756 (47518495001) VA2-A756 (47518495001) VA2-A756 (47518495001) VA2-A756 (47518495001)
9 Gear Pack Assembly GEA40-40-M37 (22036503) GEA40-28-M37 (22038160) GEA40-22-M37 (22038178) GEA40-17-M37 (22038186)
36 Ring Gear GEA40-406 (22038079) GEA40-406 (22038079) GEA40-406 (22038079) GEA40-406 (22038079)
37 Retaining Ring 4E-118 (03079738) 4E-118 (03079738) 4E-118 (03079738) 4E-118 (03079738)
38 Spacer, Rear GEA40-81 (22036495) GEA40-81 (22036495) GEA40-81 (22036495) GEA40-81 (22036495)
39 Gearhead Assembly (1st stage) GEA40-A216-20 (22038004) GEA40-A216-19 (80096126) GEA40-A216-17 (80096142) GEA40-A216-14 (80096050)
* Gearhead --- --- --- ---
* Planet Pin --- --- --- ---
40 Needle Bearing (1st) 6WTM-500 (03800299) DAA40-500 (04008108) 6WTM-500 (03800299) 6WTM-500 (03800299)
41 Planet Gear (1st) 4RLL-10 (03822962) DEA31-10 (04282158) 4RLN-10 (03822988) GEA40-10-14 (80098064)
42 Sun Gear (1st) --- --- DAA25-17 (04008140) GEA40-17-21 (22039317)
43 Spacer GEA40-80 (22041883) GEA40-80 (22041883) GEA40-80 (22041883) GEA40-80 (22041883)
44 Spindle Assembly (2nd stage) GEA40-A8-18 (22038145) GEA40-A8-18 (22038145) GEA40-A8-18 (22038145) GEA40-A8-18 (22038145)
* Spindle --- --- --- ---
* Planet Pin --- --- --- ---
* Planet Gear (2nd) --- --- --- ---
* Planet Bearing (2nd) --- --- --- ---
7 Grease Seal GEA40-248 (80106958) GEA40-248 (80106958) GEA40-248 (80106958) GEA40-248 (80106958)
8 Wave Spring GEA40-250 (80106982) GEA40-250 (80106982) GEA40-250 (80106982) GEA40-250 (80106982)
6 Retainer Washer DEM40-81 (04569752) DEM40-81 (04569752) DEM40-81 (04569752) DEM40-81 (04569752)
1 Retaining Ring W64-118 (03084266) W64-118 (03084266) W64-118 (03084266) W64-118 (03084266)

TL-VP1T-PLM_ed2

QX{ }5A Angle Assembly Attachment - Exploded View

Image

QX{ }5A Angle Head Assembly - Parts List

Part Number (CCN)
Item Part Description QX{ }80PS08, QX{ }60PS08& QX{ }40PS08 QX{ }35PS08& QX{ }30PS08 QX{ }35PS06& QX{ }30PS06 QX{ }20PS06
1 Angle Assembly Attachment GAA5S8-H (47527609001) GAA4S8-H (47527607001) GAA4S6-H (47527608001) GAA2S6-H (47527606001)
45 Socket, Retaining Spring 5UHD-718 (03072766) 5UHD-718 (03072766) 401-718 (03060993) 401-718 (03060993)
46 Socket, Retaining Pin 804-716 (03064201) 804-716 (03064201) 5020-716 (03046679) 5020-716 (03046679)
4 Spacer GEA40-591 (80119605) GEA40-591 (80119605) GEA40-591 (80119605) GEA40-591 (80119605)
2 Coupling Nut, Long (with holes) GEA40-27 (22041180) GEA40-27 (22041180) GEA40-27 (22041180) GEA40-27 (22041180)
47 Coupling Nut, Short (with flats) DAA4-27 (04341285) DAA4-27 (04341285) DAA4-27 (04341285) DAA4-27 (04341285)
5 Retainer DAA4-29 (04341368) DAA4-29 (04341368) DAA4-29 (04341368) DAA4-29 (04341368)

TL-VP1T-PLM_ed2

Image

QX{ }5A Suggested Tools

Tool Used Part Description Where Used?
SpannerWrench IR Part #GEA40-478 (80114440) Coupling Nut
TorqueWrench 1/2" Sq. Drive, 50 ft-lb capacity General use
AdjustableWrench --- Coupling Nut (with flats)
Internal Snap Ring Pliers --- General use
Pick --- O-Rings, Wires, etc.
T10 Torx Bit --- Housing Screws

TL-VP1T-PLM_ed2

Part Description Part Number (CCN)
Information Label TL-VP1T-486
Certification Label TL-VP1T-300
Image

TL-VP1T-PLM_ed2

Image

TL-VP1T-PLM_ed2

QX Accessories (Optional) - Parts List

Item Part Description Part Number (CCN)
1 Communication Kit (USB Cable & ICS Software) 84737-COMM-KIT (48414460)
2 USB Cable 84737-CABLE-USB (48412613)
*3 Bearing Nut Tool VP1-00003 (47128921)
* 4 Suspension Bail VP1-365 (48382147)
*5 Auxiliary Handle VP1-A48 (47107263)
*6 Motor Unit Kit VP1-K40
*7 Gear Case Holding Fixture (use with Bearing Nut Tool, VP1-00003) VP1-A00004 (47603377001)
# * 8 Tool Boot with Covered Display (Red) VP1-BOOT-NP (47498430)
Tool Boot with Open Display (White) VP1-WT-BOOT (47557360001)
Tool Boot with Open Display (Red) VP1-BOOT (48411292)
* 9 Retaining Ring Tool (for VP1-118) VP1-00001 (47126982)
*10 Retaining Ring Tool (for 182A13-CXRSN50) VP1-00002 (47128889)
**11 Holder VA1-239 (47526047)
**12 Tool Hanger Assembly
for Models { }005P{ }, { }010P{ }, { }015P{ }, { }018P{ } CPS2-A365 (45592979)
for Models { }020P{ }, { }027P{ }, { }030P{ }, { }035P{ }, { }040P{ }, { }060P{ }, { }080P{ } GEA40-A365 (45567849)
**13 Angle Head Sleeve
for Models { }018P{ }, { }020P{ } GEA40-170 (80095847)
for Models { }027P{ }, { }030P{ }, { }035P{ } GEA40-171 (80095888)
for Models { }040P{ }, { }060P{ }, { }080P{ } GEA40-172 (80095409)
**14 Extended Boot
+ for Model { }005P{ } VA1-R18-170 (47526045)
+ for Models { }010P{ }, { }015P{ } VA1-R25-170 (47526046)
for Models { }018P{ }, { }020P{ } GAA2-170 (80199557)
for Models { }027P{ }, { }030P{ }, { }035P{ } GAA4-170 (80199052)
for Models { }040P{ }, { }060P{ }, { }080P{ } GAA5-170 (80199656)
**15 SpannerWrench
for Tool Series { }2A{ } CPS2-478 (45611563)
for Tool Series { }5A{ } GEA40-478 (80114440)
**16 Dowel Pin
for SpannerWrench CPS2-478 CPS2-478L (45611639)
for SpannerWrench GEA40-478 GEA40-478S (80114689)
*17 Clamp Fixture (for Models { }005P{ }, { }010P{ }, { }015P{ }, { }018P{ }) CPS2-K48 (45626546)
**^18 Reaction Bar Assembly DEA120-K48 (04642369)
**^19 Mounting Plate Assembly DAM120-K48 (04340535)
**^21 Mounting Plate Assembly (flanged) GEM120-K48 (80112790)
Socket Tray Retaining Pin & Spring (for 3/8" and 1/2" square drives) KIT-PFS (45567997)
Socket Tray Retaining Pin & Spring (for 3/8" square drive only, Quantity: 5 of each) GEA15-38KIT-5 (45612033)
Socket Tray Retaining Pin & Spring (for 1/2" square drive only, Quantity: 5 of each) GEA40-38KIT-5 (45612041)

Parts and Maintenance

Use lithium-based, electrical contact grease with no particles for all electrical connections.

When tool life has expired, it is recommended that the tool be disassembled, degreased and parts separated by material for proper recycling.

Tool repair and maintenance should only be carried out by an authorized Service Center.

Refer all communications to the nearest Ingersoll Rand office or distributor.

Related Documentation

Manuals can be downloaded from ingersollrand.com

For additional information, refer to:

Product Safety Information Manual TL-VP1T-SIM and TL-VP1T-SIMV

Product Information Manual TL-VP1T-PIM

Maintenance Information Manual TL-VP1T-MIM

TL-VP1T-PLM_ed2

Notes:

Notes:

Image

ingersollrand.com © 2022 Ingersoll Rand

Generated by 4-Tech PIM | 2026-04-01 09:23:50

87 blocks · 19 img · 15 tbl